![]() |
![]() |
![]() |
| Desmodesmus pirkollei E. Hegewald, Typusstamm vor der Landkarte von Bali (Typuslokalität Lake Bratan, siehe unter "Gewässer") (Algol. Veröff. |
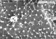
Desmodesmus pirkollei E. Hegewald, Typusstamm Hegewald 1981-106 unter dem REM (Algol. Veröff. 118) |
Desmodesmus pirkollei E. Hegewald, Zellwandultrastrukturen des Typusstammes Hegewald 1981-106 unter dem REM (Algol. Veröff. 118) |
![]() |
![]() |
|
| Desmodesmus pirkollei aus dem Teich des Kunsthandwerks in Denpasar, Bali, Indonesien. die Zellwandstrukturen sind reduziert und haben keine Äste. | Desmodesmus arthrodesmiformis aus der Svan Lagoon, Neuseeland | |
![]() |
![]() |
![]() |
| Desmodesmus communis, Stamm Hegewald 1988-34 aus Omapera, Neuseland | Desmodesmus communis, Stamm Hegewald 1978-4 aus dem Ischelandteich in Hagen, Deutschland. Coenobium im Rasterelektronenmikroskop. | Desmodesmus communis, Stamm Hegewald 1978-4 aus dem Ischelandteich in Hagen, Deutschland. Zellwand im Rasterelektronenmikroskop. Aus einem Kompartment einer Rosette wird eine Borste ausgeschieden. |
Desmodesmus maximus (W. et G.S.West) E.Hegewald, Deutschland (Algol. Veröff. 128) |
Desmodesmus perforatus (Lemmerm.) E.Hegewald, Stamm Hegewald 1973-279, Peru (Algol. Veröff. 128) | Desmodesmus tropicus (Crow) E.Hegewald, Stamm Payer 150, Thailand (Algol. Veröff. 128)
|
![]() |
![]() |
|
| Desmodesmus opoliensis (P. Richt) E. Hegewald | Desmodesmus opoliensis (P. Richt) E. Hegewald aus dem Paldang Reservoir, Korea | Desmodesmus armatus (Chodat) E. Hegewald unter dem Rasterelektronenmikroskop |
![]() |
![]() |
|
| Desmodesmus grahneisii (Heynig) E. Hegewald aus dem Holzmaar, Rheinland-Pfalz | Desmodesmus abundans aus dem Teich bei der Oper, Dresden. | Desmodesmus multivariabilis aus dem Teich des Völkerschlachtsdenkmal in Leipzig |
|
![]() |
![]() |
| Desmodesmus pleiomorphus Hindák, strain Hegewald 2000-2 aus den Meißendorfer Fischteichen bei Celle. Bestacheltes Coenobium (Algol. Veröff. 126) | Desmodesmus pleiomorphus Hindák, strain Hegewald 2000-2 aus den Meißendorfer Fischteichen bei Celle. Einzelzellen(Algol. Veröff. 126) | Desmodesmus pleiomorphus Hindák, strain Hegewald 2000-2 aus den Meißendorfer Fischteichen bei Celle. Unbestacheltes Coenobium mit Rippen und kopfigen Anhängseln(Algol. Veröff. 126) |
![]() |
![]() |
|
| Desmodesmus costato-granulatus (Skuja) E.Hegewald et Vanormelingen Stamm Hegewald 1999-34 aus einem Teich in Saltendorf, Bayern, (Algol Veröff. 131) | Desmodesmus regularis (L.S.Péterfi) E.Hegewald et Vanormelingen Stamm SAG 24.95 (=Komárek 1962/35 = UTEX 1361) aus der Tschechischen Republik (Algol Veröff. 131) | Desmodesmus fennicus E.Hegewald et Vanormelingen Stamm Hegewald 1974-31 aus dem Kuusjärvi, Saukkola, Finnland (Algol Veröff. 131) |
![]() |
![]() |
![]() |
| Desmodesmus elegans (Peterfi) E. Hegewald et Vanormelingen unter dem Rasterelektronenmikroskop. (Algol Veröff. 130) | Desmodesmus elegans (Peterfi) E. Hegewald et Vanormelingen Stamm Hegewald 1995-17 aud dem Stiefelweiher bei Köln. Im Rasterelektronenmikroskop sind als Zwellwandstrukturen kleine und große Warzen, Rippen, zähnchenartige Warzen und eine Rosette sichtbar. (Algol Veröff. 130) | Desmodesmus intermedius(Chodat) E. Hegewald, Stamm Hegewald 1987-43 aus einem Teich bei Otago im Rasterelektronenmikroskop. (Algol Veröff. 20, 77, 93) |
![]() |
![]() |
![]() |
| Desmodesmus serratus aus dem Teich des Völkerschlachtdenkmals in Leipzig | Desmodesmus serratus, aus dem Teich des Völkerschlachtdenkmals in Leipzig. Zellwandstrukturen im Rasterelektronenmikroskop | Pectinodesmus regularis (Swir.) E.Hegewald et al. aus dem See Martin Logan, Alabama, USA (Algol. Veröff. [111], 112) |
![]() |
![]() |
|
| Acutodesmus ("Scenedesmus") obliquus Stamm SAG 276-3a (Algol. Veröff. 7, 10, 14, 30, 45, 48, 49, 59, 64, 66, 68, 109, 124) | Pectinodesmus spec Stamm KRIENITZ 2005-5. An den Zellpolen kann man man Borsten erkennen. Die Einordnung in die Gattung Acutodesmus ist noch nicht geklärt. | Acutodesmus ("Tetradesmus", "Scenedesmus") reginae aus dem Teich des Völkerschlachtdenkmals in Leipzig (Algol. Veröff. 109, 128) |
![]() |
![]() |
![]() |
| Pectinodesmus pectinatus Stamm 2001-2 isoliert aus dem Faulen See, Berlin. 4-zelliges Coenobium (Algol. Veröff. 49, 100) | Pectinodesmus pectinatus Stamm 2001-2 isoliert aus dem Faulen See, Berlin. 8-zelliges Coenobium (Algol. Veröff. 49, 100) | Pectinodesmus pectinatus (Algol. Veröff. 49, 100)aus dem Teich bei der Oper in Dresden. Außerdem: Tetraedron minimum (Algol. Veröff. 10, 127) und Trachydiscus lenticularis. |
Coelastrum und Hariotina
Pediastrum
Zieralgen
Xanthophyceen, Eustigmatophyceen
![]() |
![]() |
![]() |
| Pseudopolyedriopsis skujae | Trachydiscus lenticularis Ettl aus dem See Moeraki, Neuseeland | Tetraplektron torsum aus der Svan Lagoon, Neuseeland |
Kieselalgen
![]() |
![]() |
![]() |
| Asterionella formosa aus dem Rurstausee. | Centronella reicheltii aus dem Rurstausee.
|
Acanthoceros zachariasii aus dem Rurstausee. |
![]() |
![]() |
![]() |
| Fragillaria crotonensis Kitton aus dem Rurstausee | Aulacosira ("Melosira") granulata (Ehrenb.) Simonsen aus dem Rurstausee | Aulacosira ("Melosira") italica ssp. subarctica (O.Müller) Simonsen. aus dem Kuusjärvi bei Saukkola, Finnland. |
![]() |
![]() |
![]() |
| Cyclotella hispanica K.T.Kiss, E.Hegewald et É.Ács aus Spanien (Algol. Veröff. 119) | Cyclotella stelligera | Thalassiosira weissflogii |
![]() |
![]() |
![]() |
| Cyclotella meneghiana im Rasterelektronenmikroskop | Cyclostephanus dubius, Ausscheidung einer Borste. | Cyclotella comta aus dem Donatus See. Schaleninnenseite im Rasterelektronenmikroskop |
![]() |
![]() |
![]() |
| Cyclotella ocellata im Phasenkontrast im Lichtmikroskop (Algol. Veröff. 88, 99) | Cyclotella ocellata im Rasterelektronenmikoskop (Algol. Veröff. 88, 99) | Cyclotella ocellata im Rasterelektronenmikroskop. Rechts: Initialzelle (Algol. Veröff. 88, 99) |
letzte Änderung 08.09.2011 | Hegewald Eberhard | Impressum








































































































